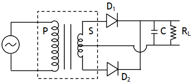
^Parallel capacitor filter
^Parallel capacitor filter
The resistance offered by a capacitor is
it offers high resistance to low frequency currents (i.e. dc) or it blocks low frequency currents through it. As a result these low frequency currents can pass through RL only.

