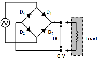
^Bridge rectifier
^Bridge rectifier
It uses four diodes is shown in figure.

For positive half of input cycle diodes D1 and D2 are forward biased and D3 and D4 are reverse biased. So D1 and D2 conduct but D3 and D4 don’t. Current through RL flows from X to Y.

For negative half of input cycle D3 and D4 are forward biased and D1 & D2 are reverse biased. So in this half cycle D3 and D4 conduct but D1 and D2 do not. Current again flows from X to Y through RL.

Thus, we see that current through RL always flows in one direction from X to Y.
